山東萬象環境科技有限公司
聯系人:周經理
銷售電話:19853697985
銷售QQ:3836021633
公司地址:山東省濰坊高新區新城街道玉清社區光電路155號濰坊高新區光電產業加速器(一期)1號樓301

聯系人:周經理
銷售電話:19853697985
銷售QQ:3836021633
公司地址:山東省濰坊高新區新城街道玉清社區光電路155號濰坊高新區光電產業加速器(一期)1號樓301

水質浮標監測站又稱浮標水質監測站,浮標水質監測設備,水質浮標監測站是一款安裝在水環境中使用的水質監測設備,可以漂浮在水面環境中使用,能夠實時監測水溫、pH值、溶解氧、濁度、氨氮、重金屬含量等水質參數,還能將監測到的水質參數實時上傳水質監測平臺顯示,為有關部門的水質管理提供數據支持
詳細產品介紹及技術參數
1.水質浮漂監測站SFA集數據采集、存儲、傳輸和管理于一體的無人值守的采集系統。它在工農業生產、旅游、城市環境監測、地質災害、防洪、供水調度、電站水庫水情管理等為目的水文自動測報系統;功能強大的上位機軟件可遠程觀測實時水雨情信息,具有數據庫、報表、下載等功能,用戶還可利用該功能完善的氣象軟件對記錄的數據作進一步的處理分析。
2.SFA03款浮標是由水質傳感器(水溫、電導率、PH)、數據采集儀、通訊系統、供電系統、整體 支架、水質監測平臺六部分組成。同時可擴展溶解氧、氨氮、 濁度、COD,多項水質要素。數據采集儀具有數 據采集、實時時鐘、數據定時存儲、參數設定和標準2G/4G(GPRS)通信功能。
二、產品特點
1.易部署:各類型探頭進行高度集成,安裝方便;提供免費云平臺服務,系統快速上線;
2.易維護:設備安裝后,自行工作即可,無需人工值守,也可以通過遠程監控的方式保障設備的正常運行;
3.易擴展:傳感器探頭均使用統一的通信協議,可以快速對接原設備,快速擴展監測參數;
4.低功耗:設備可以實現低功耗狀態下,長時間運行,增加設備使用的便利性;
5.實時性:設備監測到的數據實時傳輸至云平臺,提升環境數據反饋的及時性。
三、技術參數
1. 主體參數
產品名稱 | 描述 |
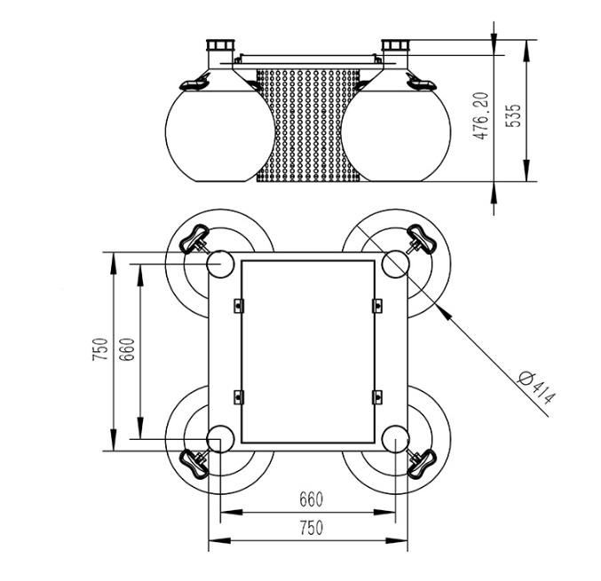
環境水質監測浮標 | 可實時實現多路參數在線監測。 可實現電池電量監控。 可實現云平臺數據監控、數據推送、 數據的存儲和報警功能;數據的無線發射功能。 峰值功耗為 5W;傳感器功耗 0.25W左右/只。 外形尺寸:750mm*750mm*535mm。浮球直徑414mm 重量:22kg |
采集器數據采集 | 運行可靠,抗干擾,可集成多路RS485/MODBUS-RTU 從站設備 |
采集器數據輸出 | 1 路 Rs485/JSON協議輸出 |
電池 | 鋰電池 12VDC,20AH(默認) |
太陽能電池板 | 22.1V/50W(默認) |
供電能力 | 定制選型;陰雨天間歇工作 5天以上 |
位置指示 (選配) | 警示燈;GPS 定位; |
監測平臺 | 云平臺;手機/電腦多終端登錄 |
防護罩 | 304 不銹鋼濾筒防護罩 |
浮體 | 直徑414mm 球形浮體*4工程塑料 |
2.可選配傳感器的主要參數
| 序號 | 名稱 | 測量范圍 | 測量原理 | 測量精度 | 是否標配 | 備注 |
| 1 | 溫度 | 0~50℃ | 高精度數字傳感器 | ±0.3℃ | ? | |
| 2 | pH | 0~14(ph) | 電化學(鹽橋) | ± 0.1PH | ? | |
| 3 | ORP | -1500mv~1500mv | 電化學(鹽橋) | ± 6mv | ||
| 4 | 電導率 | 0~5000uS/cm | 接觸式電極法 | ± 1.5% | ? | |
| 5 | 濁度 | 0~40NTU(低濁) | 散射光法 | ± 1% | 低濁可定制 | |
| 0~1000NTU(中濁) | 散射光法 | ± 1% | 中濁可定制 | |||
| 0~3000NTU(高濁) | 散射光法 | ± 1% | 默認發 | |||
| 6 | 溶解氧 | 0~20mg/L | 熒光壽命法 | ± 2% | ||
| 7 | 氨氮 | 0~100mg/l | 離子選擇電極法 | ±1mg | ||
| 8 | cod | 0~500mg/ L | UV254 吸收法 | ±5% | 默認發、cod濁度一體 | |
| 濁度 | 0~400NTU | 散射光法 | ± 1% | |||
| 9 | 懸浮物 | 0~2000mg/L | 散射光法 | ±5%(取決于污泥同質性) | ||
| 10 | 葉綠素 | 0~400ug/L | 熒光法 | R2>0.999 |
四、產品尺寸圖

五、設備安裝要求
1.遠離大功率無線電發射源
2.遠離高壓輸電線和微波無線電傳送通道
3.盡量靠近數據傳輸網絡
4.遠離強電磁干擾
六、云平臺介紹
1.CS架構軟件平臺,支持手機、PC瀏覽器直接觀測.無需額外安裝軟件。
2.支持多帳號、多設備登錄
3.支持實時數據展示與歷史數據展示儀表板
4.云服務器.云數據存儲,穩定可靠,易于擴展,負載均衡。
5.支持短信報警及閾值設置
6.支持地圖顯示、查看設備信息。
7.支持數據曲線分析
8.支持數據導出表格形式
9.支持數據轉發,HJ-212協議,TCP轉發,http協議等。
10.支持數據后處理功能
11.支持外置運行javascript腳本
WX-S3水質在線pH傳感器是一種能夠實時、連續監測水體酸堿度(pH值)的高科技設備。pH值是衡量水質酸堿性的重要指標,直接影響水中生物的生長繁殖、重金屬的溶解與沉淀、以及水體的自凈能力等。傳統的手工檢測方式不僅耗時耗力,且難以做到實時監測,而水質在線pH傳感器則以其高靈敏度、高準確性、自動化程度高等優勢,徹底改變了這一現狀。...
在水產養殖領域,水質的好壞直接關系到養殖生物的健康生長和最終產量。因此,對水質進行精準、快速的檢測顯得尤為重要。手持水產養殖水質檢測儀的出現,以其創新的設計理念和便捷的檢測方式,為水產養殖業的水質檢測帶來了革命性的變革。WX-SS06手持水產養殖水質檢測儀的最大亮點在于其便攜性和實用性。這款儀器體積小巧、重...
WX-YJ1雨水實時監測系統是一款基于物聯網技術的在線雨量觀測站,它集數據采集、傳輸、處理、展示于一體,能夠實現對雨水情況的實時監測和預警。該系統具有高精度、高可靠性、高穩定性的特點,可以廣泛應用于城市排水、水利工程、農業灌溉等領域。雨水實時監測系統采用物聯網技術,實現了數據的實時采集和傳輸,用戶可以通過手機、電腦等終端實時查看雨水情況...
WX-ZS9工業在線濁度儀是一種專門設計用于監測自來水濁度的儀器,它能夠在低量程范圍內準確測量水的渾濁度。這款儀器采用先進的光學傳感技術和數字化處理技術,通過測量光線在通過水樣時由于懸浮顆粒引起的散射或透射強度變化來反映濁度。其核心部件包括一個穩定的光源和一個高靈敏度的光電傳感器。...
WX-YJ2壓電雨量監測站以其獨特的壓電原理,實現了對雨量的高精度測量。它采用壓電傳感器,通過感應雨滴撞擊產生的壓力變化,進而轉換成電信號輸出。這種原理不僅響應速度快,而且能夠實時記錄每一滴雨的降落情況,從而確保了數據的準確性和實時性。壓電雨量監測站不受環境因素的影響,如溫度、濕度等,能夠在各種惡劣天氣條件下穩定運行...
WX-SFB06浮標水質監測站是一種利用浮標作為載體,搭載各種水質監測傳感器和設備,對水質進行實時監測和數據分析的系統。它相較于傳統設備,具有顯著的優勢。浮標水質監測站的核心優勢在于其實時性、連續性和智能化。它能夠實時監測水質參數,如溶解氧、pH值、濁度、溫度等,并將數據傳輸至數據處理中心進行分析。...